 
             
                                                    | Pos | Part | D365 Part | Description | 
|---|---|---|---|
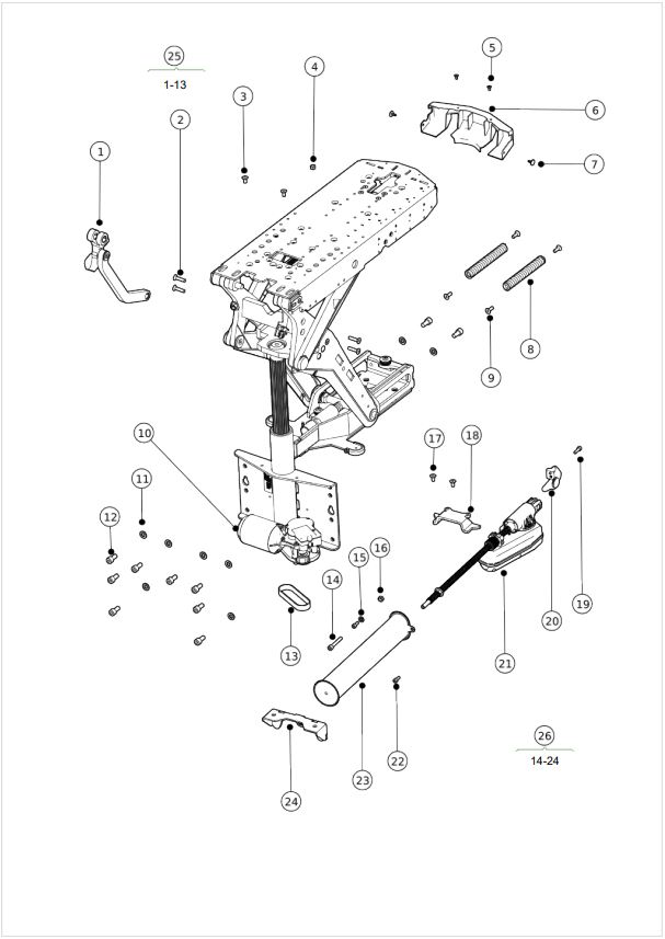
| 1 | 1831247 | LINK VS | |
| 2 | 600735-99-0 | BOLT MF6S 6x25 fzb | |
| 3 | 601788-99-0 | BOLT MF6S 6x12 fzb | |
| 4 | 600227-99-0 | LOCK NUT M6 fzb ISO 7040 * | |
| 6 | 1831288 | COVER BACK AP ELEV | |
| 7 | 601158-99-0 | QUICK MOUNT CLAMP ARMR/PROT.COVER SEAT ELEV | |
| 8 | 1831711 | SPRING AP ELEVATOR | |
| 9 | 614797-99-0 | SCREW M6x16 10.9 HEX SOCKET COUNTERSUNK HEAD SCREW | |
| 10 | 1831286 | Motor, AP-Unit, front, Corpus/CorpusVS | |
| 11 | 600239-99-0 | WASH BRB 8.4x16x1.6 fzb STD ISO 7089 | |
| 12 | 600590-99-0 | BOLT MC6S 8x 16 fzb | |
| 13 | 1831115 | DRIVEBELT AP ELEVATOR | |
| 14 | 601756-99-0 | BOLT MC6S 6x40 fzb | |
| 15 | 600238-99-0 | Washer, BRB, 6.4x12x1,5 | |
| 16 | 600227-99-0 | LOCK NUT M6 fzb ISO 7040 * | |
| 17 | 601788-99-0 | BOLT MF6S 6x12 fzb | |
| 20 | 1831840 | MAGNET HOLDER AP ELEVATOR | |
| 22 | 615301 | *SHCS M5x12 | |
| 25 | 1839565 | 1839565 | AP-unit, tilt & elevate, Corpus VS, PP | 
| 26 | 340640 | Actuator LA42, kit, tilt, AP-unit, Corpus/VS |